For handling liquids with solids in suspension, sludge or pulpy material in Paper Industries, sewage or waste with soft solids in suspension, viscous liquids or liquids carrying fibrous material or powdered material slurries, contaminated process liquids like Sugar factory waste, trade liquors, Water Carrying Gravel, etc.
Product Application :
For handling liquids with solids in suspension, sludge or pulpy material in Paper Industries, sewage or waste with soft solids in suspension, viscous liquids or liquids carrying
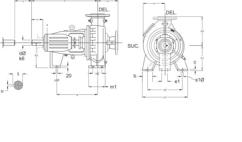
Product Range
Delivery size up to 200 mm Capacity up to 800 m/hr head up to 90 m Max. permissible solid size up to 105mm