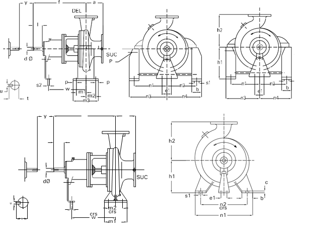
Chemical Process Industries, Petro Chemical, Nuclear Refinery, Paper, Power Plants and Sugar Plants etc. Pumps suitable for handling Corrosive Liquids, Alkalies, Salt Solutions, Caustics, Hydro Carbons, Oils, Thermic Fluids, Liquefied Gases, Condensates, Viscous Liquids and Congealing Liquid etc.
Product Application :
Chemical Process Industries, Petro Chemical, Nuclear Refinery, Paper, Power Plants and Sugar Plants etc. Pumps suitable for handling Corrosive Liquids, Alkalies, Salt Solutions, Caustics, Hydro Carbons, Oils, Thermic Fluids, Liquefied Gases, Condensates, Viscous Liquids and Congealing Liquid etc.
Product Range
Delivery Size up to 200mm Capacity up to 900m/hr Head up to 225meters working pressues 16-30kg/cm